Skip to main content
    2778

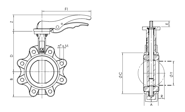
    Lug Butterfly Valves

    LBVD series valves are butterfly shut-off valves with a centered disc and a lug-type body made of ductile iron.   See more...
    To view the video, you need to accept our Cookie Policy. If the player doesn't appear, click the link below.
    Contact Us

    For any questions, requests for information or assistance, do not hesitate to contact us.

    Didn't find what you were looking for?
    Get in touch with the staff

    If you have not found the product or service you want, or if you need a tailor-made project contact us now! We are happy to help.