Skip to main content
    2164

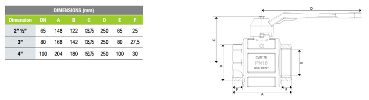
    Gas Ball Valves, Full Flow - FF - DN65-80-100

    Designed to ensure maximum safety and uninterrupted flow, BVxxx-FF ball valves are suitable for civil and industrial gas supply systems. Made of high-quality brass and compliant with industry standards.   See more...
    Standard Specifications
    Model Female threads. Lever handle in aluminium.
    Inlet - Outlet Threads ISO 228
    Connection (equivalent to DIN EN ISO 228 and BS EN ISO 228)
    Working Temperature - 20° C, + 60° C.
    P.Max : 5Bar
    Complete Body in nickel-plated brass.
    To view the video, you need to accept our Cookie Policy. If the player doesn't appear, click the link below.

    Gas Ball Valves Pressure Drop table

    Contact Us

    For any questions, requests for information or assistance, do not hesitate to contact us.

    Didn't find what you were looking for?
    Get in touch with the staff

    If you have not found the product or service you want, or if you need a tailor-made project contact us now! We are happy to help.